Problems in Domain Mixing
DFT Basics Article : #9
In my previous blog DFT Basics : Article #8, we had explored the problems encountered during edge mixing and the methods to handle them.
In this blog, we will focus on the problems encountered during domain mixing and the methods to handle them.
Domain Mixing :
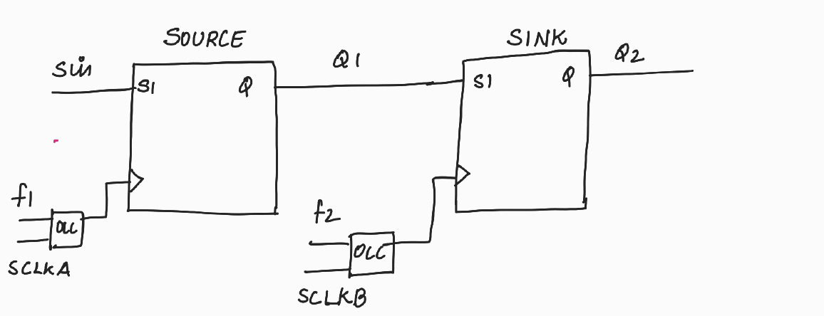
Keeping flops with different scan clocks in the same scan chain.
Note :
To understand the challenges introduced during domain mixing, we will first examine the operation of a Johnson counter.
This is a normal operation.
In this case, all the flops are having the same clock.
Even when the flops have different clocks, the same principle has to be followed.
PROBLEM IN DOMAIN MIXING
Case 1 :
Consider that SCLKA and SCLKB are arriving at the same time.
This is not a problem because it follows the same principle as discussed above.
Case 2 :
Consider that SCLKB occurs little later than SCLKA
Problem :
When two adjacent elements (source and sink) in a scan chain path are clocked by different shift clocks (scan clocks), the sink must not take in data from the source at the same time the source changes its value.
Failure to satisfy this rule can result in unwanted shoot-through during scan chain shifting when clock skew exists between the different shift clocks.
In the above example, Source’s output has changed to 1 at the first rising of it’s clock.
Sink’s output should not change to 1 at the first rising of it’s clock itself.
But when clock skew exists between different shift clocks, this rule fails. i.e., Sink’s output also changes to 1 at the first rising of it’s clock (as shown in the above figure).
SOLUTION :
Insert a lock-up latch.
Problem is solved after inserting the lock-up latch.








